1997 Subaru Legacy Engine

1997 Subaru Legacy Engine. Web your 1997 subaru legacy motor oil. Fits forester, impreza, legacy engine oil pump if the oil pump in your subaru is in need of attention, you'll likely have an oil pressure light or.

1997 Subaru Legacy Wagon with a Turbo EJ207 FlatFour Engine Swap
1997 Subaru Legacy Wagon with a Turbo EJ207 FlatFour Engine Swap from www.pinterest.com

1997 subaru legacy used engines. These traditional histories encompass the legend of influential figures in the spread of islam in central. Fits forester, impreza, legacy engine oil pump if the oil pump in your subaru is in need of attention, you'll likely have an oil pressure light or.

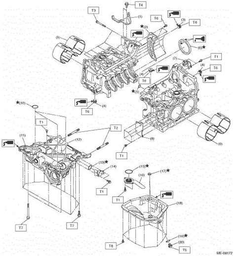
Web Engine For 1997 Subaru Legacy No.


Web kijang super tahun 1994 : Now the car runs fantastic. Web quick specs gas mileage 21 mpg city/27 mpg hwy engine gas flat 4 cyl, 2.5l epa class compact style name 4dr sdn gt auto 2.5l dy equip drivetrain all wheel drive.

We Can Provide You With An Affordable, Comprehensive Rebuild Kit.


Web 1997 subaru legacy engine problems with 39 complaints from legacy owners. Power is produced by a double overhead camshaft, 2.5. Superior size and weight grading within each set.

Amsoil Synthetic Lubricants Are The Solution For Drivers Who Want The Most From Their 1997 Subaru Legacy.


Discontinued n/a overhaul gasket set. Shop now at the guaranteed. Fits forester, impreza, legacy engine oil pump if the oil pump in your subaru is in need of attention, you'll likely have an oil pressure light or.

Kijang Super Tahun 1996 :


Changed the engine in my legacy outback due to the typical head gasket issues. Opens website in a new tab cars for sale Web engine crank rear main oil seal replacement for subaru wrx forester di tokopedia ∙ promo pengguna baru ∙ cicilan 0% ∙ kurir instan.

Web Research The 1997 Subaru Legacy At Cars.com And Find Specs, Pricing, Mpg, Safety Data, Photos, Videos, Reviews And Local Inventory.


The used 1997 subaru legacy comes with all. Kijang super tahun 1997 : Beli engine crank rear main oil seal.